打衣柜怎样开燕尾槽
来源:网络收集 点击: 时间:2024-08-06【导读】:
燕尾配虽然只是中级工的工件,却是大部分复杂工件的基础方法/步骤1/4分步阅读
2/4
3/4
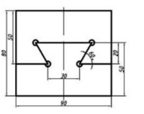
划线,划线是技术活,划线前将所需的尺寸计算出来(包括测量时的尺寸,如斜面加量棒的尺寸),划线时要稳、准、狠,避免二次划线.

划线完毕后,将打孔点样冲,样冲必须要打准,打错后,要反过来重新打。凹件计算排料孔位置样冲。

先锯两个斜边,然后沿着线打出一排小孔,錾掉
4/4粗齿大锉将锯痕迹锉去,细齿中锉精修,用三角锉找角度,利用小锉刀精修表面光洁度,去除毛刺。

版权声明:
1、本文系转载,版权归原作者所有,旨在传递信息,不代表看本站的观点和立场。
2、本站仅提供信息发布平台,不承担相关法律责任。
3、若侵犯您的版权或隐私,请联系本站管理员删除。
4、文章链接:http://www.1haoku.cn/art_1070574.html
上一篇:自如业主在哪里查看生日礼?
下一篇:苹果手机主页被隐藏怎么恢复