6根电热管380V电压怎么接线。谢谢!
来源:网络收集 点击: 时间:2024-02-24如电加热管额定工作电压是220V(民用多为此电压值),按照Y型对称负载接线。如果额定工作电压是380V,则按照△型对称负载接线。
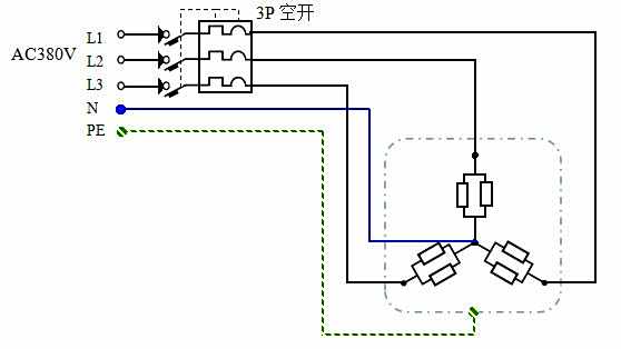
1、Y型负载接线原理图。采用三相五线制可以预防6根电热管中,任意根损坏造成其它几根也因过流而损坏。

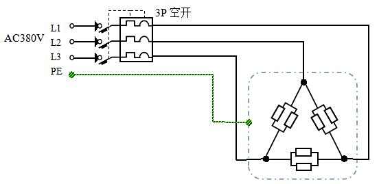
2、△型负载接线原理图。

注意事项:
380V的电加热管用的是两根火线,不用零线。
加热管是发热体普通的电线外皮受热后绝缘容易硬化脱落,容易发生故障。
电线与加热管连接处最好用接线端子,以保证接触良好不易发热。
电线尽量远离发热管,接头附近的电线应穿一段耐热套管或者瓷管保护,防止发热后绝缘损坏。
380V的加热管也可以接到220V的电源上使用,只是功率变小加热很慢。
好多加热设备采用三相供电,三组加热管接成星形不用零线,每根管上的电压实际也是220V。
如果接成三角接法则每根管上的电压是380V。
380V是三相线,两个电热管并联成为一组,一共是三组。
假设三条相线分别为A/B/C。那么三组分别接A/B-B/C-A/C
扩展资料:
功率是为了满足加热介质所需发热量,是确保加热器能实现加热目的。
由于电加热的热效率近似于1,可以这样认为:电加热器的功率即为发热量。
1)功率选择的考虑:⑴ 从初始状态,按规定时间要求实现加热介质至设定温度(工作温度);⑵ 在工况条件下,发热量足以维持介质温度;⑶ 应有一定的安全裕度,一般取1.25。显然,从第⑴,⑵条选择功率的较大者,乘以安全裕度就是应选的功率。
P —— 电加热器所需功率 (KW);
C —— 被加热介质的比热.(Kcal/(kg·℃)
M —— 被加热介质质量.(Kg);ΔТ —— 设定温度与初始温度的差值.(℃);
t —— 从初始温度加热介质至设定温度所规定的时间.(h);
F —— 加热介质流量,(一般取最大流量).(m /min);
M增 —— 每小时增加的介质质量.(Kg/h)
参考资料:6根380v加热管接线图
版权声明:
1、本文系转载,版权归原作者所有,旨在传递信息,不代表看本站的观点和立场。
2、本站仅提供信息发布平台,不承担相关法律责任。
3、若侵犯您的版权或隐私,请联系本站管理员删除。
4、文章链接:http://www.1haoku.cn/art_137633.html
订阅