彩灯控制实验
来源:网络收集 点击: 时间:2024-05-01【导读】:
利用PLC 的Q0.0 到Q0.7 八个输出端控制八个彩灯,使其每隔一秒亮一个并循环。当接通I0.0后所有的灯都熄灭。当接通I0.1后又重新从Q0.0开始循环。工具/原料more1.可编程控制器S7-200 (CPU224 214-1BD21-0XB0) 1台 2.计算机 1台3.编程电缆 PPI-RS485 1根4.导线 若干方法/步骤1/4分步阅读
2/4


3/4
4/4
PLC软元件进行分配:
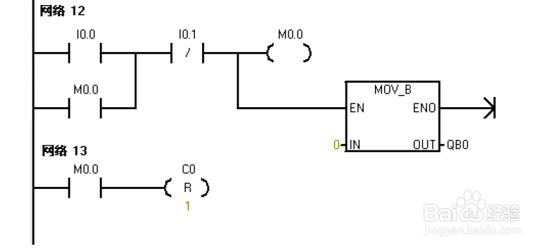
2/4参考程序编写:



3/4行试验接线图:
4/4程序调试及结果分析:
把编写好的程序下载都PLC 中进行调试,下载好后我们打开在线控制面板进行调试,看运行结果是否符合要求。PLC一上电后sm0.0一直保持接通。所以t37进行延时计时,延时到后启动t38计时,t38计时到后t38常闭触点断开所以t37断开计时,t37常开触点恢复为常开所以t38 也断开计时。此时t38 的常闭触点恢复为常闭所以t37 又重新计时,同时计数器C0开始计数一次。如此的反复计数。当计数为1时,Q0.0接通。计数器计数为2是Q0.1接通……如此下去当计数器计数到8时Q0.7接通。当计数器计到9时时计数器C0 清零。当按下在线控制面板上的I0.0f(即I0.0)接通,此时计数器,和Q0.0~Q0.7都清零,即没有一个灯亮。当按下在线控制面板上的I0.1f(即I0.1接通)此时 计数器开始重新计数,灯又重Q0.0开始重新一个接一个的往下亮。
注意事项注意用电安全,非专业人士请勿操作!
如果你觉得可以,就请点个赞吧!
理工学科版权声明:
1、本文系转载,版权归原作者所有,旨在传递信息,不代表看本站的观点和立场。
2、本站仅提供信息发布平台,不承担相关法律责任。
3、若侵犯您的版权或隐私,请联系本站管理员删除。
4、文章链接:http://www.1haoku.cn/art_641610.html
上一篇:华为手机怎么开启快递助手?
下一篇:秋子手串怎么盘红
订阅